MX280001A Vision™ Remote Spectrum Monitor Software : Cross Polarization : Cross Polarization Menu : Cross Polarization Menu Bar
 
Cross Polarization Menu Bar
The Cross Polarization menu bar is shown in Figure: Cross Polarization Menu Bar.
Cross Polarization Menu Bar
The Cross Polarization menu bar is described in Table:  Cross Polarization Menu Bar Description.
 Cross Polarization Menu Bar Description
Menu
Description
File
Open Database
Opens the database folder that has been set from “Set Database Root Folder”.
Exit
Exit the File menu.
Map
Load Map
Load a customer selected map to the screen.
Existing Maps
Load a map from an existing map folder.
Help
Help
Measurement Parameters
The cross polarization parameters window is described in Table:  Cross Polarization Parameters Panel.
 Cross Polarization Parameters Panel
Menu
Description
Run Button
Click once to operate the cross-polarization measurement continuously. Click again to stop.
Run Once
Click to run cross polarization measurement once. Click again to run the measurement once again.
Hostname
Enter a Unit 1 hostname. A multiport RSM requires only 1 hostname. If using two RSMs, check the “2 hostname” box and type the hostname of the second RSM. If using two RSMs, both will be using a Port 1.
Start/Stop Frequency
Type or use the increment/decrement keys to enter the start and stop frequency in MHz. Range is 7 kHz to 6 GHz.
RBW/VBW
Click the arrow key to set the RBW and VBW.
Reference Level
Set the reference level for the cross polarization measurement. Range is –80 dB to 20 dB.
Preamp
Check to turn on the preamp.
Power Measurements
The cross polarization power measurements window is described in Table:  Cross Polarization Parameters Panel.
 Cross Polarization Parameters Panel
Menu
Description
Run Button
Click to run cross polarization measurement continuously. Click again to stop.
Run Once
Click to run cross polarization measurement once. The measurement will run one time. Click again to run the measurement once again.
Hostname
Type or click the pull-down arrow to enter a unit 1 hostname. A multiport RSM requires only 1 hostname. If using two RSMs, check the “2 hostname” box and type the hostname of the second RSM. If using two RSMs, both will be using a Port 1.
Marker (n)
Check the box to display the marker 1 through 4 on the trace data display. See Marker Measurement Display.
Graph Mode
Set the time graph display to show either the difference or ratio of the channel power between the two signals as a function of time.
Difference: Set time graph to Difference mode.
Ratio: Set time graph to Ratio mode.
 
Trace Display
Trace data from two antennas are displayed in the trace data graph as shown in Figure: Trace Display.
If using one RSM, the trace data from the antenna on port 1 is yellow, the other is burnt orange color.
If using two RSMs, the trace data from the 1st RSM is yellow, and the 2nd RSM is burnt orange color.
Trace Display
1. Trace One - Burnt Orange Color
2. Trace Two - Yellow Color
Averaging Trace
The averaging trace is a result of averaging the delta change between the two traces. The straighter the average is a result of a better alignment of the two antennas. Figure: Delta Average is an average delta trace of the two signals shown in Figure: Trace Display.
Delta Average
Marker Measurement Display
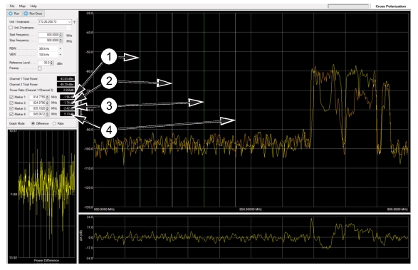
The cross polarization measurement display shown in Figure: Power/Marker Menu shows the two traces superimposed. The active marker readouts in the power/marker panel display the corresponding marker in the trace display graph.
The markers can be displayed by checking the corresponding box in the channel marker window a keyboard-click function to set the marker on a specific location on the display:
Marker 1 (blue marker): Click on the trace display.
Marker 2 (white marker): Shift-click on the trace display.
Marker 3 (green marker): Ctrl-click on the trace display.
Marker 4 (red marker): Alt-click on the trace display.
Power/Marker Menu
1. Marker 1 Readout with Blue Colored Marker Displayed
2. Marker 2 Readout with White Colored Marker Displayed
3. Marker 3 Readout with Green Colored Marker Displayed
4. Marker 4 Readout with Red Colored Marker Displayed