MX280001A Vision™ Remote Spectrum Monitor Software : Trace Monitor/Trace Viewer : Trace Monitor Program : Trace Monitor Report Options
 
Trace Monitor Report Options
The Vision Report Options dialog box is shown below in Figure: Vision Report Options Dialog.
Vision Report Options Dialog
Report Options
Last Sweep
Not available for this release. All other failure report options will include the last sweep failure.
Past Hour
Report is generated for the failures that have occurred in the past hour.
Past day
Report is generated for the failures that have occurred in the past day.
Past Week
Report is generated for the failures that have occurred in the past week.
Past Month
Report is generated for the failures that have occurred in the past month.
Include Trace Images
Check to include the trace images in the report.
Archive Failure Reports
Check to automatically save reports in an archive folder.
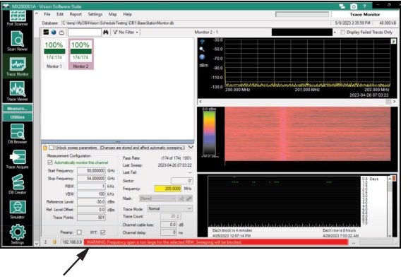
Trace Monitor Span Warning Messages
The Trace Monitor screen will provide an error message if the frequency span is too large for the selected RBW as shown in Figure: Trace Monitor Span Warning Message. The error message warns that the sweep will be blocked when the sweep is initiated in Trace Acquire.For specific sweep conditions, see Maximum Frequency Span. Once the error condition is corrected, the message will no longer be displayed.
Trace Monitor Span Warning Message
Data Sweep Blocked
When the sweep parameters are set up in Trace Monitor, initiating a sweep with Trace Acquire will sweep only when the sweep parameters set in Trace Monitor are valid.
Figure: Error Message Example for Invalid Frequency and Span Entries shows an example with two Spectrum Analyzers. Each Spectrum Analyzer has its own sweep criteria limitations:
Monitor 1 is an MS27102A. The stop frequency is set to 8 GHz in Trace Monitor. The limitation for this MS27102A is a stop frequency of 6 GHz. In this example, the sweep will not start due to an invalid stop frequency.
Monitor 2 is an MS2090A. The Start Frequency is set at 50 GHz and a Stop Frequency of 54 GHz. In this example, the sweep will not start due to an invalid span. Refer to Maximum Frequency Span. The Frequency span of 4 GHz is too large.and must be reduced to less than 100 Hz or the RBW must be increased to 3 kHz.
Error Message Example for Invalid Frequency and Span Entries
1. Open Trace Acquire: Click Sweep Monitors or Sweep once to initiate sweep
2. Error Message: Captures sweep span parameter errors when Monitor 1 sweep is initiated.
3. Error Message: Captures sweep frequency parameter errors when Monitor 2 sweep is initiated.